欢迎您访问洛阳鸿元轴承科技有限公司网站!
全国咨询热线:
18837917076
网站地图
首页
关于我们
公司简介
企业理念
发展历程
企业相册
产品展示
转台轴承
交叉滚子轴承
等截面薄壁轴承
精密转盘轴承
机器人减速器轴承
角接触球轴承
滚珠丝杠支撑轴承
圆柱滚子轴承
推力轴承
薄壁深沟球轴承
圆锥滚子轴承
行业应用
精密机床
数控转台
工业机器人
直驱电机
医疗器械
航空与国防
船舶重工
通讯测控
雷达设备
精密机械设备
新闻资讯
公司新闻
行业动态
常见问题
荣誉资质
荣誉证书
资质认证
联系我们
产品展示
转台轴承
交叉滚子轴承
等截面薄壁轴承
精密转盘轴承
机器人减速器轴承
角接触球轴承
滚珠丝杠支撑轴承
圆柱滚子轴承
推力轴承
薄壁深沟球轴承
圆锥滚子轴承
等截面薄壁轴承
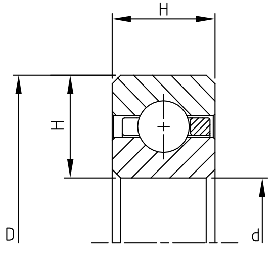
公制等截面薄壁深沟球轴承
公制等截面薄壁深沟球轴承,C型深沟球轴承是内外圈带有超深沟(滚道沟槽深度=球直径的25%)的单列深沟球轴承。
品牌:
滚道形状:
在线咨询
18837917076
产品详情
公制等截面薄壁深沟球轴承
C型深沟球轴承是内外圈带有超深沟(滚道沟槽深度=球直径的25%)的单列深沟球轴承。
更多产品
公制等截面薄壁深沟球轴承
SHG(SHF)型谐波减速器轴承
HYR柔性轴承
618、619系列薄壁深沟球轴承
返回
友情链接:
全国咨询热线:
18837917076