欢迎您访问洛阳鸿元轴承科技有限公司网站!
全国咨询热线: 18837917076 网站地图

产品展示

等截面薄壁轴承

公制等截面薄壁角接触球轴承

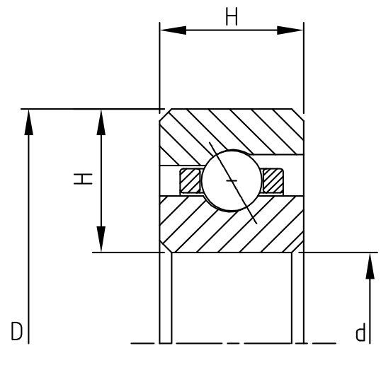
公制等截面薄壁角接触球轴承A型角接触球轴承与C型轴承不同之处在于A型轴承有足够的径向游隙,能形成足够的接触角来承受轴向载荷。
品牌: 滚道形状:
产品详情

公制等截面薄壁角接触球轴承

A型角接触球轴承与C型轴承不同之处在于A型轴承有足够的径向游隙,能形成足够的接触角来承受轴向载荷。由于具有单向载荷能力,该轴承需要与其它轴承对称配对安装,以设定并保证接触角,同时在受到交变的轴向载荷时使其轴向运动最小。

公制角接触球.png

1.png

2.png